seorang teman di fesbuk dapat servisan speaker aktif merk politron memakai power suplay switching ( acemathic )dengan kerusakan dengung..................
solusinya elko 4700uf50v X 2 pada power suplay regulator gemblung jadi setelah diganti alhamdulillah langsung mak nyes bayaran lagi.....
terserah aku mau nulis apa ... apa yang teringat itu yang ku tulis.bahkan mungkin ada yang sekedar copy paste dari blog orang.
Jumat, 30 Desember 2011
DATA LETAK TITIK PROTEKSI TV SHARPN
moga bermanfaat bwt tmn2x tekhnisi yang sdg mengalami kesulitan dalam menghadapi kendala sistem proteksi pd tv sharp
PROTEKSI SHARP
Chasis UA-1, Menggunakan IC IX3368CEN1-5 Atau IX3410CEN1-5
Masukan Proteksi Detektor Yang Dideteksi Tegangan Normal Menonaktifkan Proteksi
Pin No.8 IC801 (3,3 V)
Menonaktifkan Proteksi utama,
Lepaskan Jumper J223 D609 Tegangan 8V Anoda D609 = 3.3 Volt Lepaskan D609
D606 ABL / X-ray Anoda D606 = 3.3 Volt Lepaskan D606
D614, Q603 Heater / X-ray Anoda D614 = 3.3 Volt
Collector Q603 = 3.3 Volt Lepaskan D614
Lepaskan Q603
D752 Tegangan 5V Anoda D752 = 3.3 Volt Lepaskan D752
D504 Tegangan 16V (Sound Amp) Anoda D504 = 3.3 Volt Lepaskan D504
D502 Tegangan 45V (Vertikal) Anoda D502 = 3.3 Volt Lepaskan D502
D503 Vertikal Output Anoda D503 = 3.3 Volt Lepaskan D503
D613 Tegangan 180V Anoda D613 = 3.3 Volt Lepaskan D613
Chasis UA-1 (Lubang), Menggunakan IC IX3368CEN7
Masukan Proteksi Detektor Yang Dideteksi Tegangan Normal Menonaktifkan Proteksi
Pin No.8 IC801 (3,4 V)
Menonaktifkan Proteksi utama,
Lepaskan Jumper J208 dan D203 D203 Tegangan 33V (Tuner) Anoda D203 = 3.4 Volt Lepaskan D203
D607 Tegangan 190V Anoda D607 = 3.4 Volt Lepaskan D607
D604, Q603 Heater / X-ray Anoda D604 = 3.4 Volt
Collector Q603 = 3.4 Volt Lepaskan D604
Lepaskan Q603
D601 ABL / X-ray Anoda D601 = 3.4 Volt Lepaskan D601
Q501 Tegangan Supply Vertikal Collector Q501 = 3.4 Volt Lepaskan D501
Menggunakan IC IX 2938CE, TB1226
Masukan Proteksi Detektor Yang Dideteksi Tegangan Normal Menonaktifkan Proteksi
Pin No.30 IC1001 (5,1 V) D616 Tegangan 9V Anoda D616 = 5.1 Volt Lepaskan D616
D607 Tegangan 180V Anoda D607 = 5.1 Volt Lepaskan D607
Q607 Heater / X-ray Collector Q607 = 5.1 Volt Lepaskan Q607
D606 ABL / X-ray Anoda D606 = 5.1 Volt Lepaskan D606
D611 Tegangan 5V Anoda D611 = 5.1 Volt Lepaskan D611
D201 Tegangan 9V Anoda D201 = 5.1 Volt Lepaskan D201
Menggunakan IC IX 2694, M52340
Masukan Proteksi Detektor Yang Dideteksi Tegangan Normal Menonaktifkan Proteksi
Pin No.38 IC1001 (0 V) D606 Heater / X-ray Anoda D606 = 0 Volt Lepaskan D606
D616 ABL / X-ray Anoda D616 = 0 Volt Lepaskan D616
Q603 ABL / X-ray Collector Q603 = 0 Volt Lepaskan Q603
D610 Heater / X-ray Anoda D610 = 0 Volt Lepaskan D610
Chasis G2 Menggunakan IC IX 3031CE, TB1226
Masukan Proteksi Detektor Yang Dideteksi Tegangan Normal Menonaktifkan Proteksi
Pin No.30 IC1001 (3,3 V) D618 Tegangan 9V Anoda D618 = 3,3 Volt Lepaskan D618
D607 Heater / X-ray Anoda D607 = 3,3 Volt Lepaskan D607
Q607 Heater / X-ray Collector Q607 = 3,3 Volt Lepaskan Q607
D606 ABL / X-ray Anoda D606 = 3,3 Volt Lepaskan D606
D611 Tegangan 5V Anoda D611 = 3,3 Volt Lepaskan D611
GA-4M Chasis, Menggunakan IC IXB226WJ, M61260
Masukan Proteksi Detektor Yang Dideteksi Tegangan Normal Menonaktifkan Proteksi
Pin No.7 IC1001 (4.5 V) D605 Tegangan 185V Anoda D605 = 4,5 Volt Lepaskan D605
D608 ABL / X-ray Katoda D607 = 4,5 Volt Lepaskan D608
Q603 Heater Collector Q603 = 4,5 Volt Lepaskan Q603
D203 Tegangan 33V (Tuner) Anoda D203 = 4,5 Volt Lepaskan D203
D1091 Tegangan 9V Anoda D606 = 4,5 Volt Lepaskan D1091
Pin No.6 IC1001 (3.4 V) D1010 Tegangan 15V Pin No.6 IC1001 = 3.4 Volt Lepaskan D1010
Chasis GA-6, Menggunakan IC IXB725WJ, Chasis GA-7 Menggunakan IC IXB855WJZZ
Masukan Proteksi Detektor Yang Dideteksi Tegangan Normal Menonaktifkan Proteksi
Pin No.63 IC801 (4.1 V) D1005 Tegangan 9V Anoda D1005 = 4,1 Volt Lepaskan D1005
D608 ABL / X-ray Katoda D608 = 4,1 Volt Lepaskan D608
Q603 Heater Collector Q603 = 4,1 Volt Lepaskan Q603
D805, D203 Tegangan 33V (Tuner) Anoda D805 & D203 = 4,1 Volt Lepaskan D203
D204 Tegangan 5V (Tuner) Anoda D204 = 4,1 Volt Lepaskan D204
Pin No.7 IC801 (3.9 V) D1002 Power supply (AC-Detect) Pin No.7 IC801 = 3.9 Volt Lepaskan D1002
Pin No.8 IC801 (0.6 V) R523 Vertical Pin No.8 IC801 = 0.6 Volt Lepaskan R523
Menggunakan IC IXC080WJN5Q
Masukan Proteksi Detektor Yang Dideteksi Tegangan Normal Menonaktifkan Proteksi
Pin No.63 IC801 (4.1 V)
Menonaktifkan Proteksi utama,
Lepaskan Jumper J497 D1108 Tegangan 5V Anoda D1008 = 4,1 Volt Lepaskan D1108
D605 Tegangan 185V Katoda D605 = 4,1 Volt Lepaskan D605
D608, D607 ABL / X-ray Katoda D608 = 4,1 Volt Lepaskan D608
Q603, D604 Heater / X-ray Collector Q603 = 4,1 Volt Lepaskan Q603
D203 Tegangan 33V (Tuner) Anoda D203 = 4,1 Volt Lepaskan D203
D1105 Tegangan 5V Anoda D1105 = 4,1 Volt Lepaskan D1105
Pin No.64 IC801 (3.9 V) D1002 Power supply (AC-Detect) Pin No.64 IC801 = 3.9 Volt Lepaskan D1002
Pin No.65 IC801 (0.6 V) R523 Vertical Pin No.65 IC801 = 0.6 Volt Lepaskan R523
Menggunakan IC IXC688WJ / IC IXC844WJ
Masukan Proteksi Detektor Yang Dideteksi Tegangan Normal Menonaktifkan Proteksi
Pin No.81 IC801 (4.1 V) D1108 Tegangan 5V Anoda D1008 = 4,1 Volt Lepaskan D1108
D605 Tegangan 185V Katoda D605 = 4,1 Volt Lepaskan D605
D608, D607 ABL / X-ray Katoda D608 = 4,1 Volt Lepaskan D608
Q603, D604 Heater / X-ray Collector Q603 = 4,1 Volt Lepaskan Q603
D203 Tegangan 33V (Tuner) Anoda D203 = 4,1 Volt Lepaskan D203
D1105 Tegangan 5V Anoda D1105 = 4,1 Volt Lepaskan D1105
Pin No.82 IC801 (3.9 V) D1002 Power supply (AC-Detect) Pin No.82 IC801 = 3.9 Volt Lepaskan D1002
Pin No.83 IC801 (0.6 V) R523 Vertical Pin No.83 IC801 = 0.6 Volt Lepaskan R523
by pyondsound
PROTEKSI SHARP
Chasis UA-1, Menggunakan IC IX3368CEN1-5 Atau IX3410CEN1-5
Masukan Proteksi Detektor Yang Dideteksi Tegangan Normal Menonaktifkan Proteksi
Pin No.8 IC801 (3,3 V)
Menonaktifkan Proteksi utama,
Lepaskan Jumper J223 D609 Tegangan 8V Anoda D609 = 3.3 Volt Lepaskan D609
D606 ABL / X-ray Anoda D606 = 3.3 Volt Lepaskan D606
D614, Q603 Heater / X-ray Anoda D614 = 3.3 Volt
Collector Q603 = 3.3 Volt Lepaskan D614
Lepaskan Q603
D752 Tegangan 5V Anoda D752 = 3.3 Volt Lepaskan D752
D504 Tegangan 16V (Sound Amp) Anoda D504 = 3.3 Volt Lepaskan D504
D502 Tegangan 45V (Vertikal) Anoda D502 = 3.3 Volt Lepaskan D502
D503 Vertikal Output Anoda D503 = 3.3 Volt Lepaskan D503
D613 Tegangan 180V Anoda D613 = 3.3 Volt Lepaskan D613
Chasis UA-1 (Lubang), Menggunakan IC IX3368CEN7
Masukan Proteksi Detektor Yang Dideteksi Tegangan Normal Menonaktifkan Proteksi
Pin No.8 IC801 (3,4 V)
Menonaktifkan Proteksi utama,
Lepaskan Jumper J208 dan D203 D203 Tegangan 33V (Tuner) Anoda D203 = 3.4 Volt Lepaskan D203
D607 Tegangan 190V Anoda D607 = 3.4 Volt Lepaskan D607
D604, Q603 Heater / X-ray Anoda D604 = 3.4 Volt
Collector Q603 = 3.4 Volt Lepaskan D604
Lepaskan Q603
D601 ABL / X-ray Anoda D601 = 3.4 Volt Lepaskan D601
Q501 Tegangan Supply Vertikal Collector Q501 = 3.4 Volt Lepaskan D501
Menggunakan IC IX 2938CE, TB1226
Masukan Proteksi Detektor Yang Dideteksi Tegangan Normal Menonaktifkan Proteksi
Pin No.30 IC1001 (5,1 V) D616 Tegangan 9V Anoda D616 = 5.1 Volt Lepaskan D616
D607 Tegangan 180V Anoda D607 = 5.1 Volt Lepaskan D607
Q607 Heater / X-ray Collector Q607 = 5.1 Volt Lepaskan Q607
D606 ABL / X-ray Anoda D606 = 5.1 Volt Lepaskan D606
D611 Tegangan 5V Anoda D611 = 5.1 Volt Lepaskan D611
D201 Tegangan 9V Anoda D201 = 5.1 Volt Lepaskan D201
Menggunakan IC IX 2694, M52340
Masukan Proteksi Detektor Yang Dideteksi Tegangan Normal Menonaktifkan Proteksi
Pin No.38 IC1001 (0 V) D606 Heater / X-ray Anoda D606 = 0 Volt Lepaskan D606
D616 ABL / X-ray Anoda D616 = 0 Volt Lepaskan D616
Q603 ABL / X-ray Collector Q603 = 0 Volt Lepaskan Q603
D610 Heater / X-ray Anoda D610 = 0 Volt Lepaskan D610
Chasis G2 Menggunakan IC IX 3031CE, TB1226
Masukan Proteksi Detektor Yang Dideteksi Tegangan Normal Menonaktifkan Proteksi
Pin No.30 IC1001 (3,3 V) D618 Tegangan 9V Anoda D618 = 3,3 Volt Lepaskan D618
D607 Heater / X-ray Anoda D607 = 3,3 Volt Lepaskan D607
Q607 Heater / X-ray Collector Q607 = 3,3 Volt Lepaskan Q607
D606 ABL / X-ray Anoda D606 = 3,3 Volt Lepaskan D606
D611 Tegangan 5V Anoda D611 = 3,3 Volt Lepaskan D611
GA-4M Chasis, Menggunakan IC IXB226WJ, M61260
Masukan Proteksi Detektor Yang Dideteksi Tegangan Normal Menonaktifkan Proteksi
Pin No.7 IC1001 (4.5 V) D605 Tegangan 185V Anoda D605 = 4,5 Volt Lepaskan D605
D608 ABL / X-ray Katoda D607 = 4,5 Volt Lepaskan D608
Q603 Heater Collector Q603 = 4,5 Volt Lepaskan Q603
D203 Tegangan 33V (Tuner) Anoda D203 = 4,5 Volt Lepaskan D203
D1091 Tegangan 9V Anoda D606 = 4,5 Volt Lepaskan D1091
Pin No.6 IC1001 (3.4 V) D1010 Tegangan 15V Pin No.6 IC1001 = 3.4 Volt Lepaskan D1010
Chasis GA-6, Menggunakan IC IXB725WJ, Chasis GA-7 Menggunakan IC IXB855WJZZ
Masukan Proteksi Detektor Yang Dideteksi Tegangan Normal Menonaktifkan Proteksi
Pin No.63 IC801 (4.1 V) D1005 Tegangan 9V Anoda D1005 = 4,1 Volt Lepaskan D1005
D608 ABL / X-ray Katoda D608 = 4,1 Volt Lepaskan D608
Q603 Heater Collector Q603 = 4,1 Volt Lepaskan Q603
D805, D203 Tegangan 33V (Tuner) Anoda D805 & D203 = 4,1 Volt Lepaskan D203
D204 Tegangan 5V (Tuner) Anoda D204 = 4,1 Volt Lepaskan D204
Pin No.7 IC801 (3.9 V) D1002 Power supply (AC-Detect) Pin No.7 IC801 = 3.9 Volt Lepaskan D1002
Pin No.8 IC801 (0.6 V) R523 Vertical Pin No.8 IC801 = 0.6 Volt Lepaskan R523
Menggunakan IC IXC080WJN5Q
Masukan Proteksi Detektor Yang Dideteksi Tegangan Normal Menonaktifkan Proteksi
Pin No.63 IC801 (4.1 V)
Menonaktifkan Proteksi utama,
Lepaskan Jumper J497 D1108 Tegangan 5V Anoda D1008 = 4,1 Volt Lepaskan D1108
D605 Tegangan 185V Katoda D605 = 4,1 Volt Lepaskan D605
D608, D607 ABL / X-ray Katoda D608 = 4,1 Volt Lepaskan D608
Q603, D604 Heater / X-ray Collector Q603 = 4,1 Volt Lepaskan Q603
D203 Tegangan 33V (Tuner) Anoda D203 = 4,1 Volt Lepaskan D203
D1105 Tegangan 5V Anoda D1105 = 4,1 Volt Lepaskan D1105
Pin No.64 IC801 (3.9 V) D1002 Power supply (AC-Detect) Pin No.64 IC801 = 3.9 Volt Lepaskan D1002
Pin No.65 IC801 (0.6 V) R523 Vertical Pin No.65 IC801 = 0.6 Volt Lepaskan R523
Menggunakan IC IXC688WJ / IC IXC844WJ
Masukan Proteksi Detektor Yang Dideteksi Tegangan Normal Menonaktifkan Proteksi
Pin No.81 IC801 (4.1 V) D1108 Tegangan 5V Anoda D1008 = 4,1 Volt Lepaskan D1108
D605 Tegangan 185V Katoda D605 = 4,1 Volt Lepaskan D605
D608, D607 ABL / X-ray Katoda D608 = 4,1 Volt Lepaskan D608
Q603, D604 Heater / X-ray Collector Q603 = 4,1 Volt Lepaskan Q603
D203 Tegangan 33V (Tuner) Anoda D203 = 4,1 Volt Lepaskan D203
D1105 Tegangan 5V Anoda D1105 = 4,1 Volt Lepaskan D1105
Pin No.82 IC801 (3.9 V) D1002 Power supply (AC-Detect) Pin No.82 IC801 = 3.9 Volt Lepaskan D1002
Pin No.83 IC801 (0.6 V) R523 Vertical Pin No.83 IC801 = 0.6 Volt Lepaskan R523
by pyondsound
Rabu, 28 Desember 2011
Bagaimana Cara Menentukan Nilai Resistor Pada Lampu LED
How to choose a resistor to turn on the LED? Why LEDs need resistors? That's because the LED does not have a current regulator, the LED will burn out if no resistor.
The amount of flow determines how bright an LED. Greater flow of the lighter flame of an LED. Current in the LED should be approximately 10-20 mA. When a current passes through a LED, the LED voltage drop of about 1.85 V or depending on the type of LED that is in use
To determine the resistor on the led first consider the graph above (right graph ). Choose the desired LED light and use this chart to determine the required flow. For example, if the desired luminous intensity (high / dark light an LED) for 1, can be seen that the currents are in need of 20 mA.
This shall mean the current 20 mA to pass through the LED, to get the brightness of LED = 1. Now, we can calculate the voltage drop across the LED based on a known flow. Look at the graph on the left at 20 mA. Now you know that the fall in voltage of 1.85 V. Know that the voltage drop across the LED is not only a function of current, but also the color of the LED and the temperature (because of chemical differences in the LED).
Color Potential Difference (LED voltage)
Infrared : 1.6 V
Red : 1.8 V - 2.1 V
Orange : 2.2 V
Yellow : 2.4 V
Green : 2.6 V
Blue : 3.0 V - 3.5 V
White : 3.0 V - 3.5 V
Ultraviolet : 3.5 V
The following example circuit LED (Menentukan Nilai Resistor Pada LED) series / parallel based on Ohm's law, V = IR to refer to the list above the LED voltage
Resistor values = (voltage source - LED voltage) / LED current
Red LED resistor values (12 V- 1.8V) /0.02 A = 510 ohms
Blue LED resistor values (12V - 3V) / 0.02 A = 450 ohms
Resistor values = (voltage source - the total LED voltage) / LED current
Resistor values = (12V - 9.6 V) / 0.02 A = 120 ohms
The amount of flow determines how bright an LED. Greater flow of the lighter flame of an LED. Current in the LED should be approximately 10-20 mA. When a current passes through a LED, the LED voltage drop of about 1.85 V or depending on the type of LED that is in use
To determine the resistor on the led first consider the graph above (right graph ). Choose the desired LED light and use this chart to determine the required flow. For example, if the desired luminous intensity (high / dark light an LED) for 1, can be seen that the currents are in need of 20 mA.
This shall mean the current 20 mA to pass through the LED, to get the brightness of LED = 1. Now, we can calculate the voltage drop across the LED based on a known flow. Look at the graph on the left at 20 mA. Now you know that the fall in voltage of 1.85 V. Know that the voltage drop across the LED is not only a function of current, but also the color of the LED and the temperature (because of chemical differences in the LED).
Color Potential Difference (LED voltage)
Infrared : 1.6 V
Red : 1.8 V - 2.1 V
Orange : 2.2 V
Yellow : 2.4 V
Green : 2.6 V
Blue : 3.0 V - 3.5 V
White : 3.0 V - 3.5 V
Ultraviolet : 3.5 V
The following example circuit LED (Menentukan Nilai Resistor Pada LED) series / parallel based on Ohm's law, V = IR to refer to the list above the LED voltage
Resistor values = (voltage source - LED voltage) / LED current
Red LED resistor values (12 V- 1.8V) /0.02 A = 510 ohms
Blue LED resistor values (12V - 3V) / 0.02 A = 450 ohms
Resistor values = (voltage source - the total LED voltage) / LED current
Resistor values = (12V - 9.6 V) / 0.02 A = 120 ohms
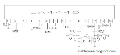
Rangkaian Amplifier pake IC LA 4440
This is the circuit of amplifier using IC LA4440. The amplifier circuit uses very less components but a very high quality with respect to its cost and ideal for beginners.
IC LA 4440 is wired as a bridge amplifier to deliver a 19 W Rms on a 4 Ohm speaker atau 6 W rms jika di fungsikan stereo. The IC has built in thermal over voltage and short circuit protection.The IC also incorporates a audio muting function.
Rangkaian 19 Watt Bridge Amplifier LA4440Rangkaian 19 Watt Bridge Amplifier LA4440
Rangkaian 6 Watt Stereo Amplifier LA4440Rangkaian 6 Watt Stereo Amplifier LA4440
Note:
Use a 12 VDC / 3 A power supply, IC LA4440 can with stand up to 18 volts, but I prefer it should not be nothing more than 16V.
Do not forget to fit a proper heat sink with IC.
Use a 4 Ohm speaker
IC LA4440 Features
Built-in 2 channels enabling use in stereo and bridgeamplifier applications. (Stereo 6 Watt Bridge : 19W)
Minimun number of external parts required.
Small pop noise at the time of power supply ON/OFF and
good starting balance.
Good ripple rejection : 46dB (typ.)
Good channel separation.
Small residual noise (Rg=0).
Low distortion over a wide range from low frequencies to high frequencies.
Easy to design radiator fin.
Built-in audio muting function.
Built-in protectors.
Thermal protector
Overvoltage, surge voltage protector
cPin-to-pin short protector
Quick Data IC LA4440
Maximum supply voltage.............................18 V.
Allowable power dissipation Pd max............15 W.
Operating temperature Topr........................–20 to +75.
Storage temperature Tstg............................–40 to +150.
Voltage gain VG..........................................49.5 to 53.5.
Output power PO....................................... Stereo 06 W, Bridge 19 W.
Input resistance ri ............................. ....... 30kOhm.
IC LA 4440 is wired as a bridge amplifier to deliver a 19 W Rms on a 4 Ohm speaker atau 6 W rms jika di fungsikan stereo. The IC has built in thermal over voltage and short circuit protection.The IC also incorporates a audio muting function.
Rangkaian 19 Watt Bridge Amplifier LA4440Rangkaian 19 Watt Bridge Amplifier LA4440
Rangkaian 6 Watt Stereo Amplifier LA4440Rangkaian 6 Watt Stereo Amplifier LA4440
Note:
Use a 12 VDC / 3 A power supply, IC LA4440 can with stand up to 18 volts, but I prefer it should not be nothing more than 16V.
Do not forget to fit a proper heat sink with IC.
Use a 4 Ohm speaker
IC LA4440 Features
Built-in 2 channels enabling use in stereo and bridgeamplifier applications. (Stereo 6 Watt Bridge : 19W)
Minimun number of external parts required.
Small pop noise at the time of power supply ON/OFF and
good starting balance.
Good ripple rejection : 46dB (typ.)
Good channel separation.
Small residual noise (Rg=0).
Low distortion over a wide range from low frequencies to high frequencies.
Easy to design radiator fin.
Built-in audio muting function.
Built-in protectors.
Thermal protector
Overvoltage, surge voltage protector
cPin-to-pin short protector
Quick Data IC LA4440
Maximum supply voltage.............................18 V.
Allowable power dissipation Pd max............15 W.
Operating temperature Topr........................–20 to +75.
Storage temperature Tstg............................–40 to +150.
Voltage gain VG..........................................49.5 to 53.5.
Output power PO....................................... Stereo 06 W, Bridge 19 W.
Input resistance ri ............................. ....... 30kOhm.
Rangkaian Amplifier 5 Watt - Class A
Rangkaian Amplifier yang sangat sederhana.dapat copy dari blog lain,katanya Rangkaian amplifier ini walau sederhana tapi berkualitas.membutuhkan catu daya 24 V dan ouput 3-5 watts.
Parts:
P1_____________47K Log. Potentiometer (Dual-gang for stereo)
R1____________100K 1/4W Resistor
R2_____________12K 1/4W Resistor
R3_____________47K 1/4W Resistor
R4______________8K2 1/4W Resistor
R5______________1K5 1/4W Resistor
R6______________2K7 1/4W Resistor
R7,R9_________100R 1/4W Resistors
R8____________560R 1/2W Resistor
R10_____________1R 1/2W Resistor
C1,C2__________10µF 63V Electrolytic Capacitors
C3_____________47µF 25V Electrolytic Capacitor
C4____________100µF 35V Electrolytic Capacitor
C5____________150nF 63V Polyester Capacitor atau Mylar Capacitor
C6,C7_________220µF 25V Electrolytic Capacitors
C8___________1000µF 25V Electrolytic Capacitor
Q1___________BC560C
Q2,Q3________BD439 atau BD437
SPKR___________One or more speakers wired in series or in parallel
Total resulting impedance: 8 Ohm
Minimum power handling: 5W
Circuit diagram:
3 - 5 Watt Amplifier
Parts:
P1_____________47K Log. Potentiometer (Dual-gang for stereo)
R1____________100K 1/4W Resistor
R2_____________12K 1/4W Resistor
R3_____________47K 1/4W Resistor
R4______________8K2 1/4W Resistor
R5______________1K5 1/4W Resistor
R6______________2K7 1/4W Resistor
R7,R9_________100R 1/4W Resistors
R8____________560R 1/2W Resistor
R10_____________1R 1/2W Resistor
C1,C2__________10µF 63V Electrolytic Capacitors
C3_____________47µF 25V Electrolytic Capacitor
C4____________100µF 35V Electrolytic Capacitor
C5____________150nF 63V Polyester Capacitor atau Mylar Capacitor
C6,C7_________220µF 25V Electrolytic Capacitors
C8___________1000µF 25V Electrolytic Capacitor
Q1___________BC560C
Q2,Q3________BD439 atau BD437
SPKR___________One or more speakers wired in series or in parallel
Total resulting impedance: 8 Ohm
Minimum power handling: 5W
Circuit diagram:
3 - 5 Watt Amplifier
Senin, 26 Desember 2011
Pituah Minangkabau - harok kabuliah cameh kahilangan
source : http://armenzulkarnain.wordpress.com
----------------------------------------------------------------------------------------------------------------------
Harok Kabuliah Cameh Kahilangan. Kok ka buliah jan harok bana, kok ka hilangan jan cameh bana. Pulangkan sajo kapado Nyo Allah SWT nan Maha Kuaso, kito hiduik dalam aturan Nyo. Iduik bakulik dunia, mati bapandam tanah, dari iqamat ka takabia.. Bara bana cito dirangkuah, auih batambah latiah juo, Samakin dipaluak kurang nan ado, itulah harakat nafsu nan ko.
*****
Musibah indak bisa tahalangi, kok untuang indak dapek diraih, malang pun indak dapek ditulak. Bapuluah tahun mungkin kito mancari, kok indak razaki di badan nanko, usah marisau ka dalam hati. Sabanyak apo cobaan nan dihadapi, sabanyak itu pulo iman dipataguah.
Usaha wajib dilakukan untuk meraih cita-cita yang kita inginkan. Namun dunsanak, selain ikhtiar diperlukan doa sebagai permintaan kehadirat Allah SWT. Janganlah merasa risau apabila tidak terkabulkan seperti keinginan kita, untuk itu diperlukan rasa berserah diri kepada Allah, yakin akan mendapatkan yang terbaik dalam hidup ini.
Terkadang kita merasa tidak beruntung, merasa tidak memiliki daya dibanding dengan dunsanak yang lain. Sesungguhnya rasa iri & hawa nafsu adalah godaan hidup ini, karena nafsu pulalah kita terjerumus ke jalan kebathilan. Kok nafsu basobok jo syaitan cando bensin bakawan jo api.
Kok manggaleh awak, usah kicuah nan dipabanyak, kok bakarajo awak, usah buruak urang dipatageh. Sabanyak apo razaki nan didapek, kalau indak batua jalannyo….yo ka marugikan diri awak surang. Apolai nan alah bakaluarga, jan diagiah anak jo bini hasil karojo nan indak elok, manjadi kasam dikamudian hari, tataruang awak sakaluarga.
Indak ado mukasuik ka manggurui, hanyo sebagai bahan renungan kito basamo, semoga bermanfaat, amin ya Rabbal alamin.
Pepatah Petitih Minangkabau Bagian 5
oleh : Alm. Idrus Hakimy Dt Rajo Panghulu
401. Nagari bapaga undang, kampuang bapaga buek, tiokmlasuang ba ayam gadang, salah tampuah buliah diambok.
Patuhilah norma-norma yang berlaku didalam masyarakat, karena setiap masyarakat mempunyai normanya sendiri-sendiri.
402. Niniak moyang di duo koto, mambuek barih jo balabeh, Bulek dek tuah lah sakato, nak tantu hinggo jo bateh.
Patuhilah keputusan bersama yang telah dibuat oleh pemuka kita, oleh masyarakat dan sipembuat peraturan sendiri.
403. Nan barek samo dipikua, nan ringan samo dijinjiang.
Didalam adat selalu dianjurkan agar setiap pekerjaan yang baik dikerjakan secara bersama.
404. Nansakik iyolah kato, nan padiah iyolah rundiang. Dek tajam nampak nan luko, dek kato hati taguntiang.
Perkataan yang menyakiti lebih berbahaya dari pisau yang tajam.
405. Nansakik iyo lah kato, nan malu iyolah tampak.
Kata-kata yang berbisa, sama dengan rasa seseorang yang tahu harga dirinya mendapat malu.
406. Nan mudo biaso bimbang, manaruah rambang jo ragu, kalau batimbo ameh datang, lungga lah ganggam nan dahulu.
Meniru-niru kebudayaan asing yang tidak sesuai dengan kepribadian kita, akan menghilangkan kemurnian kebudayaan sendiri dan kehilangan pegangan.
407. Nan dikatokan kato pusako, iyolah kato undang-undang. Dek lamo tak namuah lupo manjadi padoman pagi jo patang.
Bagi orang Minang yang memahami ajaran yang terkandung didalam adatnya, tidak bisa diabaikan dan dilupakan, bahkan menjadi pegangan dan pedoman dalam hidup.
408. Nak elok lapangkan hati, nak haluih baso jo basi.
Agar menjadi orang baik dan disegani selalulah bersifat sabar, dan baik budi bahasa.
409. Nak luruih rantangkan tali, luruih bana dipacik sungguah.
Selalulah bersifat lurus dan tulus ikhlas dalam pergaulan, yakni selalu bersifat benar dan jujur.
410. Naiaklah dari janjang, turunlah dari tanggo.
Selalulah berbuat sesuai aturan dan undang-undang yang berlaku, menurut adat dan agama Islam serta pemerintah.
411. Nanang saribu aka, haniang ulu bicaro, pikia palito hati, dek saba bana mandatang.
Ketenangan dalam berpikir, menimbulkan aspirasi yang baik, dan kesabaran mendatangkan kebenaran.
412. Nak tahu digadang kayu caliak kapangkanyo, nak tahu digadang ombak caliak kapasianyo.
Kalau ingin menilai kebesaran atau kebaikan seseorang bergaullah dengan dia.
413. Nan bak mananti aia ilia, nan bak manutuik manggih langkeh.
Seseorang yang mengharapkan sesuatu yang tidak mungkin dapat diperolehnya.
414. Nan bak banang dilando ayam, nan bak bumi diguncang gampo.
Suatu musibah yang datang menimpa dengan tiba-tiba, yang tidak diduga sama sekali sehingga timbul kekacauan dan kepanikan.
415. Nan elok dek awak katuju dek urang, sakik dek awak sakik dek urang.
Berbuatlah dalam segala perbuatan gerak dan perilaku yang disenangi oleh orang banyak.
416. Nan mudo pambimbiang dunia, nan capek kaki ringan tangan, acang-acang dalam nagari.
Pemuda harapan bangsa ditangan pemuda terletak maju mundurnya bangsa dimasa depan.
417. Nak jan jauah panggang dari api, latakkan sasuatu ditampeknyo.
Agar suatu tindakkan dalam masyarakat tepat pada sasarannya maka serahkanlah sesuatu kepada ahlinya.
418. Nan tahu dikayu tinggi alang, nan tahu diposo-poso ayam, nan tahu dikili-kili banting.
Yang mengetahui diseluk beluk dan sifat masyarakat suatu negeri adalah para cendekiawan negeri tersebut.
419. Ombak barayun manuju pantai, riak nyato manuju tapi. Indak guno jadi rang pandai, kalau baulemu indak babudi.
Tak ada arti menjadi seorang pandai kalau tidak mempunyai budi pekerti, karena hancur masyarakat karena kepandaiannya.
420. Ombak ditantang manuju pulau, laia dikambang manantang angin.
Untuk mencapai suatu tujuan dan cita-cita senantiasa mengalami cobaan dan rintangan
421. Olok-olok mambao sansai, garah-garah jadi binaso.
Perbuatan dan tingkah laku yang tidak pada tempatnya, akan membawa akibat yang merugikan.
422. Olak olai rang basiang, sorak sorai rang karimbo.
Suatu kebiasaan diwaktu beramai-ramai bekerja, timbul kelakar dan gembira, untuk kegairahan dalam bekerja.
423. Pulau pandan jauah ditangah, dibaliak pulau angso duo, hancua badan dikanduang tanah, budi baiak dikana juo.
Budi bukan hanya diingat sampai mati tetapi akan diperhitungkan dan diingat dibalik lahad.
424. Pisang ameh baok balaia, masak sabuah didalam peti, hutang ameh dapek dibaia, hutang budi dibao mati.
Hutang emas dan perak dapat dibayar tetapi hutang budi dibawa mati.
425. Pucuak pauah sadang tajelo, panjuluak buah ligundi, nak jauah silang sangketo, pahaluih baso jo basi.
Agar terjauh dari silang sengketa dalam pergaulan perbaikilah budi dan bahasa, pakai sifat sopan dan santun.
426. Pado pai suruik nan labiah, samuik tapijak indak mati, alu tataruang patah tigo.
Kata kiasan terhadap pemuda pumudi Minang yang mempunyai ketenangan tetapi tegas dan bijaksana tentang ketangkasannya dan tinggi budinya.
427. Padi disisiak jo hilalang, tapuang dicampua jo sadah.
Perbuatan kebaikan dicampur dengan perbuatan kejahatan.
428. Padi ditanam padi tumbuah, lalang ditanam lalang tumbuah.
Kebaikan yang diperbuat oleh seseorang akan berbalas dengan kebaikan, begitu juga sebaliknya.
429. Padi dikabek jo daunnyo, batang ditungkek jo dahannyo.
Kebijaksanaan yang dipakai oleh seseorang didalam memimpin anak kemenakan, untuk menggongkosinya dicari suatu usaha.
430. Papek dilua runciang didalam, talunjuak luruih kalingkiang bakaiek.
Sifat yang sangat tercela, mulut manis tetapi hati jahat, dan berbisa.
431. Pikia palito hati, tanang hulu bicaro.
Pikiran yang mempunyai pertimbangan adalah penangkal lampu yang menerangi bagi hati, dan ketenangan akan mengeluarkan bicara yang berguna.
432. Pilin kacang nak mamanjek, pilin jariang nak barisi.
Seseorang yang berusaha dengan cara yang tidak benar untuk mendapatkan sesuatu.
433. Panjeklah batang tinggi-tinggi, basuo pucuak silaronyo, kalilah urek dalam-dalam basuo urek tunggang jo isinyo.
Seseorang yang benar-benar mendalami ajaran adat Minangkabau, dengan menelaah kalimat demi kalimat dari filsafatnya, dia akan peroleh mutiara berharga untuk kehidupan.
434. Putiah manahan sasah, hitam manahan tapo.
Yang dikatakan kebenaran boleh tahan uji, asal orang yang waras semua mengatakan benar.
435. Padanggantiang baranah-ranah, kahilia jalan kapianggu, sasimpang jalan kasikabu Duduak samo randah tagak samo tinggi dalam adat Minangkabau.
Didalam ajaran adat manusia tidak berkasta, tetapi yang membedakan budi dan jabatan yang dipilih bersama.
436. Pulai batingkek naiak, maninggakan ruweh jo buku, manusia batingkek turun, maninggakan barih jo balabeh
Setiap pribadi menurut ajaran adat Minangkabau haruslah berusaha meninggalkan jasa yang baik terhadap anak cucu dan masyarakat.
437. Partamo banamo Minang, Minangkabau namo kaduo, nan kayo mandi baranang, nan bansaik bandi batimbo.
Didalam menghadapi kerja bersama haruslah ikut serta setiap orang menurut kemampuannya masing-masing untuk pengorbanan
438. Partamo cupak usali, kaduo cupak buatan. Kalau dulu disasali manjadi tuah panda- patan.
Sesal dahulu pendapatan, sesal kemudian tak berguna.
439. Patah de mamapek, maja de mangilia, dek harum talalu angik.
Sesuatu pekerjaan yang dikerjakan, atau pengajaran terhadap seseorang terlalu melampaui batas hingga tidak mencapai hasil yang diharapkan.
440. Pucuak dicinto ulam tibo, sumua dikali aia dapek.
Seseorang yang mencinta sesuatu yang dirindukan tiba-tiba datang dengan segera.
441. Panakiak pisau sirauik, ambiak galah batang lintabuang, silodang ambiak kaniru, satitiak jadikan lauik, nan sakapa jadikan gunuang alam takambang jadi guru.
Adat Minangkabau dipelajari oleh nenek moyang dahulunya, dari ketentuan alam terkembang jadi guru.
442. Partamo lareh nan tinggi, kaduo lareh nan bunta, kalau tak pandai kito mambimbiang indak katantu sah jo bata.
Bagi seorang bapak/mamak di Minangkabau kalau tidak memberikan bimbingan sungguh-sungguh terhadap anak kemenakan, tidaklah diketahuinya sah dan batal.
443. Pandai mangulai ambuang-ambuang, bak umpamo gulai kincuang, baunnyo maimbau imbau, tapi rasonyo amba sajo.
Seseorang yang senantiasa berjanji muluk, tetapi sekalipun tidak terpenuhi.
444. Pangka kusuik ujuang bakaruik, ikua kupiak kapalo randah.
Seseorang yang selalu bersifat ragu dan enggan karena kurang pengetahuan dan pengecut.
445. Pandai batanam tabu dibibia, pandai baminyak aia.
Orang yang selalu bermulut manis, tetapi di hatinya bersarang dengki dan khianat.
446. Pusek jalo kumpulan ikan, pucuak usah tarateh, urek ijan taganjak.
Pimpinan seperti ibu dan bapak, guru, merupakan tumpukan dari segala contoh baik dan buruk bagi anak-anaknya.
447. Pasa jalan dek batampuah, lanca kaji dek ba ulang.
Pengetahuan didapat dengan dipelajari, untuk lebih praktis harus diamalkan dalam kehidupan.
448. Pandai karano batanyo, tahu karano baguru.
Pengetahuan diperdapat karena belajar, pendidikan dan banyak bertanya kepada orang yang tahu.
449. Panjang namuah dikarek senteng namuah dibilai, singkek namuah diuleh, kurang namuah ditukuak.
Sebaik-baik manusia mau menerima nasehat dari pada orang lain dan menggakui kelemahannya.
450. Rarak kalikih dek minalu, tumbuah sarumpun jo kayu kalek. Kok habih raso jo malu bak kayu lungga pangabek.
Kalau rasa malu telah hilang dari manusia, maka manusia itu sulit untuk diarahkan kepada kebaikan, dan sulit untuk menyusun masyarakat.
451. Ratak indak mambao caro, rannyuak nan indak mambao hilang.
Persengketaan dalam rumah tangga dan keluarga, jangan mengakibatkan putusnya hubungan kekeluargaan.
452. Rumah tampak jalan indak tantu, angan lalu faham tatumbuak.
Seseorang yang ingin mendapatkan sesuatu, tetapi tidak mendapat jalan dan pengetahuan untuk mencapainya.
453. Raso aia kapamatang, raso minyak kakuali, nan bakabek rasan tali, nan babungkuih rasan daun.
Seseorang yang mempunyai hubungan kekeluargaan, sedarah, sekampung, senagari, senegara, dia akan selalu berpihak dalam pembelaan keluarga.
454. Rumah indak batungganai, kappa nan indak banangkodoh.
Masyarakat atau keluarga yang tidak mempunyai pemimpin, sama halnya seumpama kapal tanpa nakhoda.
456. Rumah gadangbaribapintu, nak tarang jalan kahalaman, kalau dikumpa saleba kuku jikok dikambang saleba alam.
Ajaran adat Minangkabau akan dapat dimamfaatkan untuk mengatur masyarakat, semenjak dari yang kecil seperti keluarga, sampai kepada yang lebih besar seperti negara dan dunia.
457. Riwayaik jambi lah tasabuik, panjang tajelo disilukah, barih balabeh mangkonyo cukuik, sampai ka hulu baru sudah.
Ajaran adat Minangkabau dengan segala persoalannya dapat dipahami apabila didalami. Adat sebagai kebudayaan dan adat sebagai budi pekerti.
458. Rupo mangatokan harago, kurenah manunjuakan laku, walau nan lahia tampak dek mato, nan bathin tasimpan dalam itu.
Kalau dipelajari ajaran adat yang dihimpun dalam pepatah petitih, mamang dan bidal, mengandung arti lahir dan bathin.
459. Raso dibaok naiak, pareso dibaok turun.
Pembinaan pribadi yang baik hendaklah dimulai dalam lingkungan anak kemenakan.
460. Raso kabarek dilapehkan, raso kasulik dielakkan, bak cando mangganggam baro.
Seseorang yang tidak bertanggung jawab kepada tugas dan kewajibannya.
461. Surang makan cubadak, sadonyo kanai gatahnyo, saikua kabau bakubang sakandang kanai luluaknyo.
Sesuatu perbuatan yang tercela menurut adat dan agama di Minangkabau yang dikerjakan oleh seorang anggota masyarakat, maka malu dirasakan oleh seluruh anggota kaum yang lain.
462. Sio-sio- nagari alah, kalau cilako utang tumbuah.
Pekerjaan yang sia-sia dan berbahaya akan mengakibatkan kerugian bersama, berbuat salah mengakibatkan terjadinya hutang.
463. Sayang di anak dilacuti, sayang di kampuang ditinggakan.
Kalau sayang kepada anak jangan dibiarkan dia mengerjakan yang tidak baik, harus dimarahi. Kalau cinta sama kampung harus ditinggalkan untuk mencari pengetahuan untuk disumbangkan akhirnya kelak.
464. Sadang manyalam minum aia, sadang badiang nasi masak.
Sesuatu pekerjaan yang dapat dikerjakan sambil lalu, dengan tidak mengurangi kepada pekerjaan yang sedang dilakukan.
465. Senteang bilai mambilai, panjang karek mangarek.
Hendaklah memberikan pertolongan kepada teman yang sedang dalam kesusahan, dan memberi nasehat kalau dia terlanjur.
466. Satitiak jadikan lauik, sakapa jadikan gunuang.
Berusahalah dengan dasar pengetahuan yang ada untuk melanjutkan mencapai pengetahuan yang lebih tinggi.
467. Suri tagantuang ditanuni, luak taganang kito sauak.
Tentang ajaran adat yang secara mutlak dilaksanakan, tanpa dimusyawarahkan.
468. Sakalam kalam hari sabuah bintang bacahayo juo.
Tidak seluruh orang keluar dari garis kebenaran, sekurang-kurangnya satu orang ada yang menegakkannya.
469. Sabanta sakalang hulu, salapiak sakatiduran.
Dua orang berteman secara akrab yang sulit untuk dipisahkan.
470. Sandi banamo alua adat, tonggak banamo kasandaran.
Hikmah rumah adat di Minangkabau, yang sendinya kebenaran bersama, sandaran kuat hukum adatnya.
471. Sasiuak namuah ka api, salewai namuah ka aia.
Seseorang yang ingin mendapatkan sesuatu dengan cara yang tidak baik.
472. Satali pambali kumayan, sakupang pambali katayo, sakali lancuang kaujian, salamo hiduik urang indak picayo.
Haruslah bersifat jujur dan benar dalam pergaulan, kalau kelihatan kecurangan satu kali selamanya orang tidak percaya lagi.
473. Syarak banamo lazim, adat nan banamo kewi, habih tahun baganti musim, buatan nan usah diubahi.
Bagaimanapun kesulitan yang dihadapi, kesengsaraan yang dialami, tetapi keputusan bersama jangan dirobah.
474. Siang manjadi tungkek, malam manjadi kalang.
Hendaklah pegang dan amalkan setiap pelajaran yang baik dan nasehat orang tua.
475. Sungguahlah kokoh adat Minang, mambuek adat jo limbago, malangnyo panjajah datang, rusaklah adat dibueknyo.
Adat Minang yang kuat dan kokoh dulunya telah banyak dirusak oleh penjajah dizaman lampau.
476. Satuntuang tabu dek ulek, satuntuang sajo kito buang.
Seorang berbuat salah jangan semua keluarga dibenci.
477. Sirauik tajam batimba, tak ujuang pangka manganai, sudu-sudu batimba jalan, ditakiak kanai gatahnyo. Kalauik tuah takaba, bumi jo langik nan mananai. Duduak dikampuang jan umbilan, kandang buek tumpuan tanyo.
Seharusnya setiap orang Minangkabau mengetahui tentang seluk beluk filsafat adatnya, karena semua bangsa mengenal keunikan adat Minangkabau itu, terutama tentang sistim kekerabatannya dan matrilinialnya.
478. Siriahlah pulang kagagang, pinanglah suruik katampuaknyo. Karih baliak kasaruangnyo, baju tasaruang ka nan punyo, ameh pulang katambangnyo.
Suatu benda berharga yang sudah lama tidak ditemui, sekarang kembali kepada yang empunya semula, seperti merebut tanah air dari tangan penjajah, sampai kita merdeka.
479. Sadang baguru kapalang aja, lai bak bungo kambang tak jadi. Kunun kok dapek dek mandangga, tidak didalam dihalusi.
Setiap menuntut pengetahuan jangan putus ditengah, dan kurang mamfaatnya dengan mendengar saja, kalau dibandingkan dengan belajar sesungguhnya.
480. Sabab karano dek baitu, tumbuahlah niaik dalam hati, nak manuruik tambo nan dahulu sajarah adat nan usali.
Kalau ajaran adat telah dapat dipahami kemana masyarakat hendak dibawa oleh ajaran adat itu maka akan timbullah hasrat untuk mendalamnya.
481. Sangajo guno diuraikan, kahadapan nan basamo, untuak nak samo dipikiakan, nak samo dirunuak nan tujuan.
Penggugah hati para pembaca terutama putra Minang untuk mendalami filsafat adatnya.
482. Satinggi-tinggi malantiang, mambubuang ka awang-awang, suruiknyo katanah juo. Sahabih dahan jo rantiang, dikubak dikulik batang, tareh panguba barunyo nyato.
Adat Minangkabau tidak akan bisa dipahami secara baik, apalagi untuk dihayati dan diamalkan tanpa mendalami sungguh-sungguh.
483. Santan babaleh jo tubo, nikmat babaleh jo sansaro.
Kebaikan yang pernah diberikan seseorang kepada orang lain, tetapi balasannya dengan yang buruk.
484. Saumpamo aua jo tabiang, umpamo ikan jo aia.
Pergaulan yang baik saling bantu membantu dan kuat menguatkan, dan saling membutuhkan.
485. Sikujua baladang kapeh, kambanglah bungo karawitan. Kok mujua mandeh malapeh bak ayam pulang kapautan.
Setiap orang pergi merantau mengharapkan kehidupan yang baik dan pendapatan yang akan dibawa kekampung halaman.
486. Tak lakang dek paneh tak lapuak dek hujan, dianjak tak layua, dibubuik tak mati.
Kebenaran yang dikandung oleh Adat Minangkabau, karena ajarannya bersumber dari ketentuan alam yang disusun jadi pepatah yang senantiasa kebenarannya tidak dapat dibantah.
487. Tabujua lalu tabalintang patah.
Untuk mempertahankan kebenaran hendaklah dengan kegigihan yang sungguh-sungguh.
488. Tarandam-randam indak basah, tarapuang-apuang indak hanyuik.
Sesuatu perkara yang tidak jelas duduknya, selesai tidak diusutpun tidak.
489. Tak ujuang pangka mangganai, saragi baliak batimba.
Seseorang yang mempunyai pengetahuan dan alat-alat yang lengkap, yang dapat dipakai serba guna.
490. Tasingguang kanai miangnyo, tagisia kanai rabehnyo.
Kesalahan yang dibikin oleh seseorang, merembet-rembet kepada orang lain.
491. Tak siriah pinang mamalan, tak pasin anguakpun tibo.
Seseorang yang pandai mengikat seseorang dengan suatu perhitungan.
492. Tak laju bandiang mamacah, tak lalu dandang di aia, digurun ditajakkan juo.
Seseorang yang berpikiran jahat kepada orang lain, dia selalu berusaha untuk melaksanakan dimana dan kapan saja.
493. Tatungkuik samo makan tanah, tatilantang samo minum ambun, tarapuang samo hanyuik, tarandam samo basah.
Kerja sama yang baik dalam masyarakat, kesatuan hati dan pikiran, kesatuan pendapat dan gerak adalah pokok utama.
494. Titiak buliah ditampuang, maleleh buliah dibaliak.
Hasil kerja sama yang baik ini akan dapat dinikmati bersama oleh orang banyak.
495. Tagak indak tasundak, malenggang indak tapampeh.
Seseorang pemimpin yang punya wewenang penuh dan wibawa.
496. Talalok talalu mati, manyuruak talalu hilang.
Seorang pandai yang meinsulirkan diri dari masyarakat dan tak ingin bertanggung jawab.
497. Tinggi lonjak gadang galapuah, nan lago dibawah sajo.
Sifat seseorang yang senantiasa segala pandai dihadapan orang yang tak tahu, tetapi sebenarnya kosong belaka.
498. Tampek bagantuang nan lah sakah, bakeh bapijak nan lah taban.
Kehilangan orang yang akan membimbing dan membela, si anak kehilangan ayahnya.
499. Talangkang carano kaco, badarai carano kendi, padi nan samo rang gantangkan. Bacanggang karano budi, bacarai karano baso, itu nan samo rang pantangkan.
Berpisah dan berpecah hati satu dengan yang lain akibat budi telah rusak dan karena kurang sopan sangat tidak di ingini dalam adat Minangkabau dalam bergaul dengan siapa saja.
500. Hiduik batungkek batang bodi, mati bapuntiang ditanah sirah. Jikok pandai bamain budi, dalam aia badan indak basah.
Dalam pergaulan kalau budi selalu diamalkan dan menjadi perhatian terhadap diri dan orang lain, keuntungannya sangat banyak sekali.
Pepatah Petitih Minangkabau Bagian 4
oleh : Alm. Idrus Hakimy Dt Rajo Panghulu
301. Nan salajang kudo balari, nan sahentak kuciang malompek.
Panjang rumah adat yang menjadi kebanggaan masyarakatnya.
302. Nan basasok bajarami, nan bapandan bapakuburan, soko pusako kalau tadalami, mambayang cahayo diinggiran.
Mendalami ajaran adat Minang dan filsafatnya serta dapat diamalkan dalam pergaulan akan menggangkat martabat kemanusianya.
303. Nan tuo dihormati, nan ketek di sayangi, samo gadang baok bakawan.
Selalulah menghormati orang tua, lebih-lebih ibu dan bapak dan orang tua umurnya dari kita, sayangi anak-anak, hormat menghormat sama sebaya.
304. Nan suku babuah paruik, korong kampuang didalam jurai, dek urang tuo lah lamo hiduik, dunialah lamo inyo pakai.
Menghormati orang tua dari kita umurnya, bukan tergantung kepada ilmu dan kepandaiannya saja, tetapi karena ketuaannya.
305. Nagari bapaga undang, kampuang bapaga buek, tiokmlasuang ba ayam gadang, salah tampuah buliah diambok.
Patuhilah norma-norma yang berlaku didalam masyarakat, karena setiap masyarakat mempunyai normanya sendiri-sendiri.
306. Niniak moyang di duo koto, mambuek barih jo balabeh, Bulek dek tuah lah sakato, nak tantu hinggo jo bateh.
Patuhilah keputusan bersama yang telah dibuat oleh pemuka kita, oleh masyarakat dan sipembuat peraturan sendiri.
307. Nan barek samo dipikua, nan ringan samo dijinjiang.
Didalam adat selalu dianjurkan agar setiap pekerjaan yang baik dikerjakan secara bersama.
308. Nan sakik iyolah kato, nan padiah iyolah rundiang. Dek tajam nampak nan luko, dek kato hati taguntiang.
Perkataan yang menyakiti lebih berbahaya dari pisau yang tajam.
309. Nan sakik iyo lah kato, nan malu iyolah tampak.
Kata-kata yang berbisa, sama dengan rasa seseorang yang tahu harga dirinya mendapat malu.
310. Nan mudo biaso bimbang, manaruah rambang jo ragu, kalau batimbo ameh datang, lungga lah ganggam nan dahulu.
Meniru-niru kebudayaan asing yang tidak sesuai dengan kepribadian kita, akan menghilangkan kemurnian kebudayaan sendiri dan kehilangan pegangan.
311. Nan dikatokan kato pusako, iyolah kato undang-undang. Dek lamo tak namuah lupo manjadi padoman pagi jo patang.
Bagi orang Minang yang memahami ajaran yang terkandung didalam adatnya, tidak bisa diabaikan dan dilupakan, bahkan menjadi pegangan dan pedoman dalam hidup.
312. Nak elok lapangkan hati, nak haluih baso jo basi.
Agar menjadi orang baik dan disegani selalulah bersifat sabar, dan baik budi bahasa.
313. Nak luruih rantangkan tali, luruih bana dipacik sungguah.
Selalulah bersifat lurus dan tulus ikhlas dalam pergaulan, yakni selalu bersifat benar dan jujur.
314. Naiaklah dari janjang, turunlah dari tango.
Selalulah berbuat sesuai aturan dan undang-undang yang berlaku, menurut adat dan agama Islam serta pemerintah.
315. Nanang saribu aka, haniang ulu bicaro, pikia palito hati, dek saba bana mandatang.
Ketenangan dalam berpikir, menimbulkan aspirasi yang baik, dan kesabaran mendatangkan kebenaran.
316. Nak tahu digadang kayu caliak ka pangkanyo, nak tahu di gadang ombak caliak ka pasianyo.
Kalau ingin menilai kebesaran atau kebaikan seseorang bergaullah dengan dia.
317. Nan bak mananti aia ilia, nan bak manutuik manggih langkeh.
Seseorang yang mengharapkan sesuatu yang tidak mungkin dapat diperolehnya.
318. Nan bak banang dilando ayam, nan bak bumi diguncang gampo.
Suatu musibah yang datang menimpa dengan tiba-tiba, yang tidak diduga sama sekali sehingga timbul kekacauan dan kepanikan.
319. Nan elok dek awak katuju dek urang, sakik dek awak sakik dek urang.
Berbuatlah dalam segala perbuatan gerak dan perilaku yang disenangi oleh orang banyak.
320. Nan mudo pambimbiang dunia, nan capek kaki ringan tangan, acang-acang dalam nagari.
Pemuda harapan bangsa ditangan pemuda terletak maju mundurnya bangsa dimasa depan.
321. Nak jan jauah panggang dari api, latakkan sasuatu ditampeknyo.
Agar suatu tindakkan dalam masyarakat tepat pada sasarannya maka serahkanlah sesuatu kepada ahlinya.
322. Nan tahu dikayu tinggi alang, nan tahu diposo-poso ayam, nan tahu dikili-kili banting.
Yang mengetahui diseluk beluk dan sifat masyarakat suatu negeri adalah para cendekiawan negeri tersebut.
323. Ombak barayun manuju pantai, riak nyato manuju tapi. Indak guno jadi rang pandai, kalau baulemu indak babudi.
Tak ada arti menjadi seorang pandai kalau tidak mempunyai budi pekerti, karena hancur masyarakat karena kepandaiannya.
324. Ombak ditantang manuju pulau, laia dikambang manantang angin.
Untuk mencapai suatu tujuan dan cita-cita senantiasa mengalami cobaan dan rintangan
325. Olok-olok mambao sansai, garah-garah jadi binaso.
Perbuatan dan tingkah laku yang tidak pada tempatnya, akan membawa akibat yang merugikan.
326. Olak olai rang basiang, sorak sorai rang karimbo.
Suatu kebiasaan diwaktu beramai-ramai bekerja, timbul kelakar dan gembira, untuk kegairahan dalam bekerja.
327. Pulau pandan jauah ditangah, dibaliak pulau angso duo, hancua badan dikanduang tanah, budi baiak dikana juo.
Budi bukan hanya diingat sampai mati tetapi akan diperhitungkan dan diingat dibalik lahad.
328. Pisang ameh baok balaia, masak sabuah didalam peti, hutang ameh dapek dibaia, hutang budi dibao mati.
Hutang emas dan perak dapat dibayar tetapi hutang budi dibawa mati.
329. Pucuak pauah sadang tajelo, panjuluak buah ligundi, nak jauah silang sangketo, pahaluih baso jo basi.
Agar terjauh dari silang sengketa dalam pergaulan perbaikilah budi dan bahasa, pakai sifat sopan dan santun.
330. Pado pai suruik nan labiah, samuik tapijak indak mati, alu tataruang patah tigo.
Kata kiasan terhadap pemuda pumudi Minang yang mempunyai ketenangan tetapi tegas dan bijaksana tentang ketangkasannya dan tinggi budinya.
331. Padi disisiak jo hilalang, tapuang dicampua jo sadah.
Perbuatan kebaikan dicampur dengan perbuatan kejahatan.
332. Padi ditanam padi tumbuah, lalang ditanam lalang tumbuah.
Kebaikan yang diperbuat oleh seseorang akan berbalas dengan kebaikan, begitu juga sebaliknya.
333. Padi dikabek jo daunnyo, batang ditungkek jo dahannyo.
Kebijaksanaan yang dipakai oleh seseorang didalam memimpin anak kemenakan, untuk menggongkosinya dicari suatu usaha.
334. Papek dilua runciang didalam, talunjuak luruih kalingkiang bakaiek.
Sifat yang sangat tercela, mulut manis tetapi hati jahat, dan berbisa.
335. Pikia palito hati, tanang hulu bicaro.
Pikiran yang mempunyai pertimbangan adalah penangkal lampu yang menerangi bagi hati, dan ketenangan akan mengeluarkan bicara yang berguna.
336. Pilin kacang nak mamanjek, pilin jariang nak barisi.
Seseorang yang berusaha dengan cara yang tidak benar untuk mendapatkan sesuatu.
337. Panjeklah batang tinggi-tinggi, basuo pucuak silaronyo, kalilah urek dalam-dalam basuo urek tunggang jo isinyo.
Seseorang yang benar-benar mendalami ajaran adat Minangkabau, dengan menelaah kalimat demi kalimat dari filsafatnya, dia akan peroleh mutiara berharga untuk kehidupan.
338. Putiah manahan sasah, hitam manahan tapo.
Yang dikatakan kebenaran boleh tahan uji, asal orang yang waras semua mengatakan benar.
339. Padang gantiang baranah-ranah, kahilia jalan kapianggu, sasimpang jalan kasikabu, duduak samo randah tagak samo tinggi dalam adat Minangkabau.
Didalam ajaran adat manusia tidak berkasta, tetapi yang membedakan budi dan jabatan yang dipilih bersama.
340. Pulai batingkek naiak, maninggakan ruweh jo buku, manusia batingkek turun, maninggakan barih jo balabeh
Setiap pribadi menurut ajaran adat Minangkabau haruslah berusaha meninggalkan jasa yang baik terhadap anak cucu dan masyarakat.
341. Partamo banamo Minang, Minangkabau namo kaduo, nan kayo mandi baranang, nan bansaik bandi batimbo.
Didalam menghadapi kerja bersama haruslah ikut serta setiap orang menurut kemampuannya masing-masing untuk pengorbanan
342. Partamo cupak usali, kaduo cupak buatan. Kalau dulu disasali manjadi tuah pandapatan.
Sesal dahulu pendapatan, sesal kemudian tak berguna.
343. Patah de mamapek, maja de mangilia, dek harum talalu angik.
Sesuatu pekerjaan yang dikerjakan, atau pengajaran terhadap seseorang terlalu melampaui batas hingga tidak mencapai hasil yang diharapkan.
344. Pucuak dicinto ulam tibo, sumua dikali aia dapek.
Seseorang yang mencinta sesuatu yang dirindukan tiba-tiba datang dengan segera.
345. Panakiak pisau sirauik, ambiak galah batang lintabuang, silodang ambiak ka niru, satitiak jadikan lauik, nan sakapa jadikan gunuang alam takambang jadi guru.
Adat Minangkabau dipelajari oleh nenek moyang dahulunya, dari ketentuan alam terkembang jadi guru.
346. Partamo lareh nan tinggi, kaduo lareh nan bunta, kalau tak pandai kito mambimbiang indak katantu sah jo bata.
Bagi seorang bapak/mamak di Minangkabau kalau tidak memberikan bimbingan sungguh-sungguh terhadap anak kemenakan, tidaklah diketahuinya sah dan batal.
347. Pandai mangulai ambuang-ambuang, bak umpamo gulai kincuang, baunnyo maimbau-imbau, tapi rasonyo amba sajo.
Seseorang yang senantiasa berjanji muluk, tetapi sekalipun tidak terpenuhi.
348. Pangka kusuik ujuang bakaruik, ikua kupiak kapalo randah.
Seseorang yang selalu bersifat ragu dan engan karena kurang pengetahuan dan pengecut.
349. Pandai batanam tabu dibibia, pandai baminyak aia.
Orang yang selalu bermulut manis, tetapi di hatinya bersarang dengki dan khianat.
350. Pusek jalo kumpulan ikan, pucuak usah tarateh, urek ijan taganjak.
Pimpinan seperti ibu dan bapak, guru, merupakan tumpukan dari segala contoh baik dan buruk bagi anak-anaknya.
351. Pasa jalan dek batampuah, lanca kaji dek ba ulang.
Pengetahuan didapat dengan dipelajari, untuk lebih praktis harus diamalkan dalam kehidupan.
352. Pandai karano batanyo, tahu karano baguru.
Pengetahuan diperdapat karena belajar, pendidikan dan banyak bertanya kepada orang yang tahu.
353. Panjang namuah dikarek senteng namuah dibilai, singkek namuah diuleh, kurang namuah ditukuak.
Sebaik-baik manusia mau menerima nasehat dari pada orang lain dan menggakui kelemahannya.
354. Rarak kalikih dek minalu, tumbuah sarumpun jo kayu kalek. Kok habih raso jo malu bak kayu lungga pangabek.
Kalau rasa malu telah hilang dari manusia, maka manusia itu sulit untuk diarahkan kepada kebaikan, dan sulit untuk menyusun masyarakat.
355. Ratak indak mambao caro, rannyuak nan indak mambao hilang.
Persengketaan dalam rumah tangga dan keluarga, jangan mengakibatkan putusnya hubungan kekeluargaan.
356. Rumah tampak jalan indak tantu, angan lalu faham tatumbuak.
Seseorang yang ingin mendapatkan sesuatu, tetapi tidak mendapat jalan dan pengetahuan untuk mencapainya.
357. Raso aia kapamatang, raso minyak kakuali, nan bakabek rasan tali, nan babungkuih rasan daun.
Seseorang yang mempunyai hubungan kekeluargaan, sedarah, sekampung, senagari, senegara, dia akan selalu berpihak dalam pembelaan keluarga.
358. Rumah indak batungganai, kappa nan indak banangkodoh.
Masyarakat atau keluarga yang tidak mempunyai pemimpin, sama halnya seumpama kapal tanpa nakhoda.
359. Rumah gadang bari bapintu, nak tarang jalan kahalaman, kalau dikumpa saleba kuku jikok dikambang saleba alam.
Ajaran adat Minangkabau akan dapat dimamfaatkan untuk mengatur masyarakat, semenjak dari yang kecil seperti keluarga, sampai kepada yang lebih besar seperti negara dan dunia.
360. Riwayaik jambi lah tasabuik, panjang tajelo disilukah, barih balabeh mangkonyo cukuik, sampai ka hulu baru sudah.
Ajaran adat Minangkabau dengan segala persoalannya dapat dipahami apabila didalami. Adat sebagai kebudayaan dan adat sebagai budi pekerti.
361. Rupo mangatokan harago, kurenah manunjuakan laku, walau nan lahia tampak dek mato, nan bathin tasimpan dalam itu.
Kalau dipelajari ajaran adat yang dihimpun dalam pepatah petitih, mamang dan bidal, mengandung arti lahir dan bathin.
362. Raso dibaok naiak, pareso dibaok turun.
Pembinaan pribadi yang baik hendaklah dimulai dalam lingkungan anak kemenakan.
363. Raso kabarek dilapehkan, raso kasulik dielakkan, bak cando mangganggam baro.
Seseorang yang tidak bertanggung jawab kepada tugas dan kewajibannya.
364. Surang makan cubadak, sadonyo kanai gatahnyo, saikua kabau bakubang sakandang kanai luluaknyo.
Sesuatu perbuatan yang tercela menurut adat dan agama di Minangkabau yang dikerjakan oleh seorang anggota masyarakat, maka malu dirasakan oleh seluruh anggota kaum yang lain.
365. Sio-sio- nagari alah, kalau cilako utang tumbuah.
Pekerjaan yang sia-sia dan berbahaya akan mengakibatkan kerugian bersama, berbuat salah mengakibatkan terjadinya hutang.
366. Sayang di anak dilacuti, sayang di kampuang ditinggakan.
Kalau sayang kepada anak jangan dibiarkan dia mengerjakan yang tidak baik, harus dimarahi. Kalau cinta sama kampung harus ditinggalkan untuk mencari pengetahuan untuk disumbangkan akhirnya kelak.
367. Sadang manyalam minum aia, sadang badiang nasi masak.
Sesuatu pekerjaan yang dapat dikerjakan sambil lalu, dengan tidak mengurangi kepada pekerjaan yang sedang dilakukan.
368. Senteang bilai mambilai, panjang karek mangarek.
Hendaklah memberikan pertolongan kepada teman yang sedang dalam kesusahan, dan memberi nasehat kalau dia terlanjur.
369. Satitiak jadikan lauik, sakapa jadikan gunuang.
Berusahalah dengan dasar pengetahuan yang ada untuk melanjutkan mencapai pengetahuan yang lebih tinggi.
370. Suri tagantuang ditanuni, luak taganang kito sauak.
Tentang ajaran adat yang secara mutlak dilaksanakan, tanpa dimusyawarahkan.
371. Sakalam kalam hari sabuah bintang bacahayo juo.
Tidak seluruh orang keluar dari garis kebenaran, sekurang-kurangnya satu orang ada yang menegakkannya.
372. Sabanta sakalang hulu, salapiak sakatiduran.
Dua orang berteman secara akrab yang sulit untuk dipisahkan.
373. Sandi banamo alua adat, tonggak banamo kasandaran.
Hikmah rumah adat di Minangkabau, yang sendinya kebenaran bersama, sandaran kuat hukum adatnya.
374. Sasiuak namuah ka api, salewai namuah ka aia.
Seseorang yang ingin mendapatkan sesuatu dengan cara yang tidak baik.
375. Satali pambali kumayan, sakupang pambali katayo, sakali lancuang kaujian, salamo hiduik urang indak picayo.
Haruslah bersifat jujur dan benar dalam pergaulan, kalau kelihatan kecurangan satu kali selamanya orang tidak percaya lagi.
376. Syarak banamo lazim, adat nan banamo kewi, habih tahun baganti musim, buatan nan usah diubahi.
Bagaimanapun kesulitan yang dihadapi, kesengsaraan yang dialami, tetapi keputusan bersama jangan dirobah.
377. Siang manjadi tungkek, malam manjadi kalang.
Hendaklah pegang dan amalkan setiap pelajaran yang baik dan nasehat orang tua.
378. Sungguahlah kokoh adat Minang, mambuek adat jo limbago, malangnyo panjajah datang, rusaklah adat dibueknyo.
Adat Minang yang kuat dan kokoh dulunya telah banyak dirusak oleh penjajah di zaman lampau.
379. Satuntuang tabu dek ulek, satuntuang sajo kito buang.
Seorang berbuat salah jangan semua keluarga dibencii.
380. Sirauik tajam batimba, tak ujuang pangka manganai, sudu-sudu batimba jalan, ditakiak kanai gatahnyo. Kalauik tuah takaba, bumi jo langik nan mananai. Duduak di kampuang jan umbilan, kandang buek tumpuan tanyo.
Seharusnya setiap orang Minangkabau mengetahui tentang seluk beluk filsafat adatnya, karena semua bangsa mengenal keunikan adat Minangkabau itu, terutama tentang sistim kekerabatannya dan matrilinialnya.
381. Siriahlah pulang kagagang, pinanglah suruik katampuaknyo. Karih baliak kasaruangnyo, baju tasaruang ka nan punyo, ameh pulang katambangnyo.
Suatu benda berharga yang sudah lama tidak ditemui, sekarang kembali kepada yang empunya semula, seperti merebut tanah air dari tangan penjajah, sampai kita merdeka.
382. Sadang baguru kapalang aja, lai bak bungo kambang tak jadi. Kunun kok dapek dek mandangga, tidak didalam dihalusi.
Setiap menuntut pengetahuan jangan putus ditengah, dan kurang mamfaatnya dengan mendengar saja, kalau dibandingkan dengan belajar sesungguhnya.
383. Sabab karano dek baitu, tumbuahlah niaik dalam hati, nak manuruik tambo nan dahulu sajarah adat nan usali.
Kalau ajaran adat telah dapat dipahami kemana masyarakat hendak dibawa oleh ajaran adat itu maka akan timbullah hasrat untuk mendalamnya.
384. Sangajo guno diuraikan, kahadapan nan basamo, untuak nak samo dipikiakan, nak samo dirunuak nan tujuan.
Penggugah hati para pembaca terutama putra Minang untuk mendalami filsafat adatnya.
385. Satinggi-tinggi malantiang, mambubuang ka awang-awang, suruiknyo katanah juo. Sahabih dahan jo rantiang, dikubak dikulik batang, tareh panguba barunyo nyato.
Adat Minangkabau tidak akan bisa dipahami secara baik, apalagi untuk dihayati dan diamalkan tanpa mendalami sungguh-sungguh.
386. Santan babaleh jo tubo, nikmat babaleh jo sansaro.
Kebaikan yang pernah diberikan seseorang kepada orang lain, tetapi balasannya dengan yang buruk.
387. Saumpamo aua jo tabiang, umpamo ikan jo aia.
Pergaulan yang baik saling bantu membantu dan kuat menguatkan, dan saling membutuhkan.
388. Sikujua baladang kapeh, kambanglah bungo karawitan. Kok mujua mandeh malapeh bak ayam pulang kapautan.
Setiap orang pergi merantau mengharapkan kehidupan yang baik dan pendapatan yang akan dibawa kekampung halaman.
389. Tak lakang dek paneh tak lapuak dek hujan, dianjak tak layua, dibubuik tak mati.
Kebenaran yang dikandung oleh Adat Minangkabau, karena ajarannya bersumber dari ketentuan alam yang disusun jadi pepatah yang senantiasa kebenarannya tidak dapat dibantah.
390. Tabujua lalu tabalintang patah.
Untuk mempertahankan kebenaran hendaklah dengan kegigihan yang sungguh-sungguh.
391. Tarandam-randam indak basah, tarapuang-apuang indak hanyuik.
Sesuatu perkara yang tidak jelas duduknya, selesai tidak diusutpun tidak.
392. Tak ujuang pangka mangganai, saragi baliak batimba.
Seseorang yang mempunyai pengetahuan dan alat-alat yang lengkap, yang dapat dipakai serba guna.
393. Tasingguang kanai miangnyo, tagisia kanai rabehnyo.
Kesalahan yang dibikin oleh seseorang, merembet-rembet kepada orang lain.
394. Tak siriah pinang mamalan, tak pasin anguakpun tibo.
Seseorang yang pandai mengikat seseorang dengan suatu perhitungan.
395. Tak laju bandiang mamacah, tak lalu dandang di aia, digurun ditajakkan juo.
Seseorang yang berpikiran jahat kepada orang lain, dia selalu berusaha untuk melaksanakan dimana dan kapan saja.
396. Tatungkuik samo makan tanah, tatilantang samo minum ambun, tarapuang samo hanyuik, tarandam samo basah.
Kerja sama yang baik dalam masyarakat, kesatuan hati dan pikiran, kesatuan pendapat dan gerak adalah pokok utama.
397. Titiak buliah ditampuang, maleleh buliah dibaliak.
Hasil kerja sama yang baik ini akan dapat dinikmati bersama oleh orang banyak.
398. Tagak indak tasundak, malenggang indak tapampeh.
Seseorang pemimpin yang punya wewenang penuh dan wibawa.
399. Talalok talalu mati, manyuruak talalu hilang.
Seorang pandai yang meinsulirkan diri dari masyarakat dan tak ingin bertanggungjawab.
400. Tinggi lonjak gadang galapuah, nan lago dibawah sajo.
Sifat seseorang yang senantiasa segala pandai dihadapan orang yang tak tahu, tetapi sebenarnya kosong belaka.
Pepatah Petitih Minangkabau Bagian 3
oleh : Alm. Idrus Hakimy Dt Rajo Panghulu
201. Jatuah mumbang jatuah kalapo, jatuah bairiang kaduonyo. Rusak adaik hancua pusako habih kabudayaan nan usali.
Kalau tidak hati-hati dan tidak dibina dan dikembangkan kebudayaan asli (Adat Minangkabau) hancurlah kebudayaan asli kita.
202. Jikok panghulu bakamanakan, maanjuang maninggikan. Pandai nan usah dilagakkan manjadi takabua kasudahannyo.
Pengetahuan dan kepintaran jangan dibanggakan karena mengakibat hati menjadi takbur jadinya.
203. Jauah cinto mancinto, dakek jalang manjalang.
Rasa kekeluargaan yang tak kunjung habis, walau jauh dimata tapi dekat dihati.
204. Jangek suriah kuliklah luko, namun lenggok baitu juo.
Seseorang yang tidak tahu diri walaupun dia telah jatuh hina karena perbuatannya, tetapi dia tetap membanggakan diri.
205. Jan disangko murah batimbakau, maracik maampai pulo, jan disangko murah pai marantau, basakik marasai pulo.
Hidup dirantau orang tidaklah semudah hidup dikampung halaman tempat kita dilahirkan, karena jauh handai tolan.
206. Jauah bajalan banyak diliek, lamo hiduik banyak diraso.
Jauh berjalan banyak dilihat, lama hidup banyak pengalaman.
207. Kuaik rumah karano sandi, rusak sandi rumah binaso, kuaik bangso karano budi, rusak budi hancualah bangso.
Ketinggi suatu bangsa akan ditentukan oleh kepribadian bangsa itu sendiri. Kalau budi bangsanya telah hancur, akibat kehancuran bangsa itu sendiri.
208. Kilek baliuang lah ka kaki, kilek camin lah ka muko.
Suatu perbuatan dan perkataan yang telah difahami maksud dan tujuannya.
209. Kalau hari lah paneh lah lupo kacang jo kuliknyo.
Melupakan jasa baik orang lain yang pernah menolong kita, tetapi kapan kita telah mendapat kesenangan atau yang dicitakan melupakannya.
210. Kalau karuah aia di hulu sampai ka muaro karuah juo.
Pada umumnya keturunan menentukan corak dan kelakuan yang pernah dimiliki oleh ibu bapaknya.
211. Kalau kuriak induaknyo rintiak anaknyo.
Ibu bapak yang baik akan melahirkan anak-anak yang baik pula dan sebaliknya.
212. Kasingka talalu ampang, kapitungguah talampau unjua.
Seseorang yang memiliki pengetahuan serba tanggung sehingga tidak dapat dimanfaatkannya.
213. Kato iduik banyawa iduik, kato mati bapambunuahan.
Suatu keterangan yang diberikan ternyata ada kebenarannya, dan suatu keterangan yang tidak terbukti kebenarannya.
214. Kuaik katam karano tumpu, kuaik sapik karano takan.
Suatu pekerjaan atau kewajiban yang dikerjakan karena terpaksa, bukan karena kesadaran.
215. Ka bukik samo mandaki kalurah samo manurun.
Suatu pekerjaan yang dikerjakan secara bersama dan didorong oleh kesadaran.
216. Kasuri tuladan kain, kacupak tuladan batuang.
Suatu pekerjaan begitupun tingkah laku dan peranggai yang dapat dicontoh oleh orang lain.
217. Kacak langan lah bak langan, kacak batih lah bak batih.
Seseorang yang baru saja mendapatkan suatu nikmat tetapi senantiasa dipergunakan dengan hati bangga dan sombong.
218. Kalau tasungkuik pado nan tinggi, jikok basanda pado nan gadang.
Sesuatu perbuatan hendaklah dilandaskan kepada Agama, Adat dan Undang-Undang Pemerintah.
219. Kato panghulu manyalasai, mandareh kato dubalang. Adaik kok kurang takurasai, dunia manjadi takupalang.
Ajaran Adat Minangkabau yang sejati kalau tidak diamalkan oleh masyarakatnya, hilanglah budi didalam diri.
220. Kalau dek pandang sapinteh lalu, banyak pahamnyo tagaliciak, pandai tak rago dek ba guru, salam tak sampai pado kasiah.
Ajaran Adat tidak dapat dipahami, apalagi untuk diamalkan kalau sekiranya hanya dengan mendengar pepatah petitih, tampa mendalaminya.
221. Katiko taimpik nak diateh, katiko takuruang nak dilua, bajalan baduo nak ditangah bajalan surang nak dahulu.
Pepatah ini mengandung arti: bagaimana sulitnya memimpin masyarakat yang jiwanya sangat kritis dan koreksi.
222. Kahilia jalan ka Padang, ka mudiak jalan ka Ulakan, kok musuah indak dihadang, tasuo nan indak ba ilakkan.
Tidak mau bermusuhan dalam hidup bermasyarakat tetapi kalua datang dengan tiba-tiba tidak pula dielakkan.
223. Kahilia jalan ka Sumani, sasimpang jalan ka Singkarak, saukua mangko manjadi, sasuai mangko takanak.
Sesuatu hendaklah dengan musyawarah untuk mufakat. Satu pendapat dan satu tujuan.
224. Kaduo kato mufakat, sakato urang kasadonyo, elok sapahan sahakikat, santoso kito salamonyo.
Satu pendapat dan satu gerak, satu tujuan akan melahirkan kesentosaan dan kebahagiaan dalam masyarakat.
225. Kaampek kato kamudian, patuik bana kato dicari, taruah naraco jo katian, paniliak langgam nan tadiri.
Didalam diri manusia yang berpengetahuan dan diamalkannya, ada neraca yang menentukan baik dan buruk.
226. Kato rajo kato basahajo, kato titah kato balimpahan, dari duo capailah tigo, jangan sakali disudahi.
Setiap manusia perlu mempunyai cita-cita yang tinggi dan mulia, tetapi harus dicapai dengan cara ber angsur-angsur.
227. Kato panghulu manyalasai, kato alim kato hakikat, talamun patuik kito kakeh, lahia jo bathin nak saikek.
Perlu penggalian adat dan agama Islam secara mendalam , sehingga lahir dan bathin dapat sesuai.
228. Kato bapak kato panggaja, kato kalipah dari mamak, mujua indak dapek kito kaja, malang tak dapek kito tulak.
Keuntungan tak dapat dikejar-kejar, begitupun mara bahaya dan musibah tidak kuasa manusia menolaknya.
229. Kato guru kato batuah, kato saudaro paringatan, kuncilah bathin jan taruah, budi nan jan sampai nampak.
Keteguhan bathin menyimpan rahasia seseorang, menjadikan orang yang teguh ini mulia budinya.
230. Kato parampuan kato manuruik, mangambiak hati suami, labiahkan rusuah jo takuik, jarek sarupo jo jarami.
Rusuh hati jangan kelihatan, takut paham tergadai, hati-hati dalam berbicara karena banyak musuh dalam selimut.
231. Kato adaik pahamnyo aman, malangkapi rukun dengan syarat, kalau elok pegang padoman, santoso dunia jo akhirat.
Ajaran adat dan agama Islam kalau benar-benar diamalkan, menjamin keselamatan dunia akhirat.
232. Koroang kampuang didalam jurai, baitu limbago sajak dahulu, dunialah lamo inyo pakai, raso pareso nyolah tahu.
Orang yang tua harus dihormati, karena ketuaannya dia telah banyak merasakan pahit manis dalam kehidupan.
233. Kalau adaik dalam nagari, bulek sagiliang picak satapiak, sabarek saringan kasadonyo Urang mulia dalam nagari, muluik manih basonyo baiak, sakati limo nilai haragonyo.
Kemuliaan dalam pandangan adat terletak pada budi baik dan indah bahasanya seseorang.
234. Karano indak mambao galah, mananti takadia kasamonyo, mudarat mufaat tak dikana, alamaik binaso kasudahannyo.
Senantiasalah kita dalam hidup bergaul memikirkan mudarat dan mamfaat, agar sentosa hidup bersama. Kalau tidak dipikirkan alamat hidup akan sengsara.
235. Kato manti kato bahubuang, kato dubalang kato mandareh. Jauhari pandai manyambuang, nan singkek buliah diuleh.
Orang jauhari bijaksana pandai mencari jalan keluar dalam suatu kesulitan yang datang secara tiba-tiba.
236. Kiniko coraklah barubah, alam mardeka lah tabantang, sadang manggali kasajarah usahokan galian dek basamo.
Kemerdekaan telah tercapai, kita harus menggali sejarah kebudayaan bangsa secara bersama.
237. Kok alah sampai di hulu, balunlah pulo sacukuiknyo. Dek kokoh niniak nan dahulu kunci nan limo pambukaknyo.
Nenek moyang di Minangkabau pemikirannya jauh memandang kedepan untuk masa anak cucu, dengan mempergunakan panca indra yang lima.
238. Kito di alam Minangkabau lah patuik tasintak pulo, katiko balun talampau elok dirunuik sitambo lamo.
Sudah masanya sekarang kita mengali dan mengembangkan adat Minangkabau sebagai rangkaian dari kebudayaan nasional.
239. Kauak indak sahabih gauang, awai indak sahabih raso, paham pahamnyo nan tak lansuang, batuka tujuan mukasuiknyo.
Adat Minangkabau selama ini tidak pernah mendapat pengalian dan pembinaan, akibatnya banyak orang salah pengertian tentang tujuan adat itu.
240. Kalau pai tampak pungguang, jikok babaliak tampak muko.
Kalau pergi hendaklah memberi tahu, jika kembali hendaklah memberi khabar.
241. Kalau indak pandai bakato-kato, bak alu pancukia duri, kalau pandai bakato-kato bak santan jo tangguli.
Seseorang yang tak pandai berbicara secara baik, sama dengan alu pencongkel duri tetapi kalau pandai umpama santai dengan tengguli.
242. Kato papatah caro Minang, patitiah luhak nan tigo. Nan turun dari Parpatiah nan sabatang, manjadi kato pusako.
Ajaran adat Minangkabau yang disusun oleh Dt. Parpatih nan Sabatang, merupakan ajaran yang dapat mengikuti perkembangan zaman.
243. Kito nan bukan cadiak pandai, ulemu di Tuhan tasimpannyo. Kok senteang batolong bilai tandonyo kito samo sabanso.
Kalau dijumpai kekilafan dan kesalahan tolong maaf dan betulkan, karena khilaf itu sifat manusia, tandanya kita orang satu bangsa.
244. Kito nan bukan cadiak pandai, hanyo manjawek pituah dari guru. Pituah guru nan dipakai, nak jadi paham jo ukuran.
Nasehat guru dan pelajaran yang diajarkannya kepada murid, adalah menjadi pedoman dalam kehidupan.
245. Kalau ketek dibari namo, urang gadang dibari gala, nak tapek adaik jo limbago, faham adaik nak nyato bana.
Kalau dapat mendalami ajaran adat kita akan mendapatkan mutiara yang berharga didalamnya yang berguna untuk hidup bergaul dalam masyarakat.
246. Kaluah kasah papek nan ampek, sarato anggota katujuahnyo, panca indra manangguangkan, batang tubuah marasokan.
Sesuatu perbuatan tanpa pemikiran dan pertimbangan akan menimbulkan penyiksaan terhadap bathin kita sendiri.
247. Kalau balaia banakodoh, jikok bajalan jo nan tuo.
Mengerjakan suatu pekerjaan hendaklah dengan yang ahlinya, memasuki suatu negeri hendaklah dengan orang yang mengetahuinya.
248. Kuaik dari paga basi, kokoh nan dari paga tembok.
Pagar yang paling kokoh ialah pagar sesuatu dengan budi yang baik.
249. Kato sapatah dipikiri, bajalan salangkah madok suruik.
Pikirkanlah semasak-masaknya apa yang akan kita sampaikan kepada orang lain sehingga tidak menyinggung perasaannya.
250. Karantau madang di hulu, babuah babungo balun, marantau bujang dahulu, dirumah baguno balun.
Pergilah merantau kenegeri orang, cari ilmu pengetahuan, serta cari mata penghidupan, untuk kemudian dibawa dan dikembangkan dikampung halaman.
251. Kasiah sayang dapek dicari, tampek hati jarang basuo.
Untuk mencari istri paling mudah, yang sulit mencari istri untuk menjadi teman sehidup semati.
252. Kalauik riak maampeh, kapulau riak mamutuih, kalau mangauik iyo bana kameh, kalau mancancang iyo bana putuih.
Setiap pekerjaan yang kita kerjakan, begitupun pengetahuan yang kita pelajari jangan patah ditengah.
253. Kalau tali kaia panjang sajangka, lauik dalam usah didugo.
Kalau pengetahuan baru seujung kuku jangan dicoba mengurus pekerjaan yang sulit.
254. Kulik maia ditimpo bathin, bathin ditimpo galo-galo, dalam lahia ado ba bathin, dalam bathin bahakikat pulo.
Ajaran adat Minangkabau bukan sekedar lahiriyah, tetapi banyak mengandung arti dan makna yang tersirat, yang menuju kepada mental manusia.
255. Kacimpuang pamenan mandi, rasian pamenan lalok.
Mimpi itu kebanyakan sesuatu yang terangan-angan diwaktu bangun.
256. Lain geleang panokok asiang kacundang sapik.
Gelagat seseorang atau suasana yang menunjukkan tanda-tanda akan terjadi sesuatu yang tak diingini.
257. Lah samak jalan kapintu, lah tarang jalan kadapua.
Seorang suami yang tidak kenal lagi pada tugasnya sebagai mamak dari kemenakan, tetapi semata tahu kepada si istri saja.
258. Limpato batang sitawa, digulai cubadak mudo, lah biaso kito tasalah, karano pangana indak sakali tibo.
Kekilafan dan kesalahan adalah sifat seorang manusia, karena pemikirannya tidak secara serentak.
259. Lauik gadang kalau dihadang, sadiokan sampan jo pandayuang.
Hiduik didunia mangupalang, sagalo karajo kamari cangguang.
260. Limpapeh rumah nan gadang, umbun puruik pegangan kunci.
Kaum wanita di Minangkabau adalah merupakan tiang kokoh diatas rumah tangga dan nageri, dan kunci tentang kebaikan dan keburukan suatu negeri.
261. Lauik banyak nan sati, rantau banyak nan batuah.
Kalau pergi berjalan kerantau orang hendaklah pandai menyesuaikan diri dalam pergaulan.
262. Lah bacampua lamak jo galeme, indak babedo sadah jo tapuang.
Dalam suatu masyarakat tidak ada lagi batas-batas dalam pergaulan menurut norma adat dan agama.
263. Lahia jo bathin saukuran, isi kulik umpamo lahia.
Seseorang yang baik dan jujur sesuai kata dan perbuatannya.
264. Labuah luruih jalannyo pasa jan manyipang suok jo kida.
Sudah aturan dan undang-undang dan sudah cukup norma adat dan agama, jangan menyimpang dari itu.
265. Mumbang jatuah kalapo jatuah, indak babedo kaduonyo.
Setiap yang bernyawa akan menemui ajalnya baik tua ataupun muda, kecil dan besar.
266. Malabihi ancak-ancak, mangurangi sio-sio.
Setiap pekerjaan hendaklah pertengahan, jangan berlebih-lebihan, begitupun dalam tingkah dan laku.
267. Mukasuik hati mamaluak gunuang, apo dayo tangan indak sampai.
Seseorang yang mempunyai cita-cita tinggi, tetapi tidak ada kemampuan untuk mencapainya.
268. Mancabiak baju didado, manapuak aia didulang.
Seseorang yang berbicara tetapi tidak disadarinya bahwa dia telah memberi malu diri dan keluarganya sendiri.
269. Malakak kuciang didapua, manahan jarek dipintu.
Perbuatan seseorang yang tidak baik yang dilakukan kepada keluarga sendiri.
270. Mancari dama ka bawah rumah, mamapeh dalam balanggo.
Mencari keuntungan kedalam lingkungan anak kemenakan sendiri.
271. Mairikkan galah jo kaki, manjulaikan aka bakeh bagayuik, malabiahkan lantai bakeh bapinjak.
Seseorang yang ingin menjadikan orang lain tersalah, dengan jalan anjuran dan petunjuknya.
272. Mandapek samo balabo, kahilangan samo barugi.
Rasa social dan kerja sama yang baik yang harus diamalkan dalam pergaulan.
273. Manyauak di ilia-ilia, bakato dibawah-bawah.
Bergaul dalam masyarakat, begitupun dirantau orang hendaklah merendahkan diri.
274. Mancaliak jo suduik mato, bajalan di rusuak labuah.
Seseorang yang telah merasa malu, karena perbuatan yang tidak benar telah diketahui orang.
275. Mancaliak tuah ka nan manang, maliek contoh ka nan sudah, manuladan ka nan baik.
Selalulah kita melihat hasil yang baik dan dapat pula kita laksanakan, yakni yang telah positif baik.
276. Mamakai hereang jo gendeang, mamakai raso jo pareso.
Seseorang yang memakai perasaan malu dan mempunyai kesopanan yang baik.
277. Muluik manih talempong kato, baso baiak gulo dibibia.
Seseorang yang berbicara dengan lemah lembut dan baik susunan bahasanya.
278. Maliang cilok taluang dinding, tikam bunuah padang badarah. Ibo di adat katagiliang turuikkan putaran roda.
Kebudayaan asli jangan sampai hilang, sesuaikan diri dan aturan adat beradat serta istiadat dengan kemajuan.
279. Malu batanyo sasek dijalan, sagan bagalah hanyuik sarantau.
Seseorang yang tidak mau bertanya tentang suatu pekerjaan yang tidak/belum dikerjakan. Karena ajaran adat itu pada umumnya berkiasan, tidak mudah dipahami tanpa mengetahuinya akan mengalami kesulitan.
280. Minangkabau dahulunyo, adaiknyo tuah disakato, kalau dipandang kato-kato, dipahamkan makonyo nyato, didalami sungguh-sungguh.
281. Maniah nan jan lakeh di raguak, pahik nan jan lakeh di luahkan.
Sesuatu pelajaran dan pengetahuan dari orang lain pikirkan dahulu semasak-masaknya, benar atau tidaknya.
282. Mati harimau tingga balang, mati gajah tingga gadiang.
Manusia mati hendaknya meninggalkan jasa yang baik untuk anak dan keluraga seta masyarakat.
283. Mati samuik karano manisan, jatuah kabau dek lalang mudo.
Biasanya manusia itu banyak terpedaya oleh mulut manis dan budi bahasa yang baik.
284. Marangkuah tungua ka dado, maraiah suatu ka diri.
Setiap suatu yang dirasakan oleh orang lain hendak dapat dirasakan oleh kita sendiri
285. Mampahujankan tabuang garam, mampaliakkan rumah indak basasak.
Seseorang yang membukakan aibnya sendiri kepada oaring lain.
286. Manjujuang balacan dikapalo, mangali-gali najih dilubang.
Seseorang yang senang membukankan aib orang lain.
287. Managakkan banang basah, manaiakkan banda sundai.
Seseorang yang menolong orang lain, sedang orang lain itu dipihak yang tidak benar.
288. Musang babulu ayam, musuah dalam salimuik.
Seseorang yang berpurak menolong dan berpihak kepada kita, tetapi dia sebenarnya ingin mengetahui pendirian kita dan musuh kita.
289. Manusia manahan kieh, binatang Manahan palu.
Manusia yang sempurna selalu mengetahui kata-kata kiasan di Minangkabau.
290. Murah kato takatokan, sulik kato jo timbangan.
Berbicara sangat mudah, tetapi sulit memelihara perkataan yang akan menyinggung perasaan orang lain.
291. Marabah sadundun jo balam, sikok barulang pai mandi, sambah sadundun jo salam, kato harok dibinisi.
Biasanya dalam pergaulan hidup, Tanya diberi kata berjawab, gayung bersambut.
292. Nan kuriak iyolah kundi, nan merah iyolah sago, nan baiak iyo budi, nan indah iyo lah baso.
Yang paling berharga dalam kehidupan bergaul adalah budi pekerti yang baik, serta sopan santun.
293. Nak urang koto hilalang, nak lalu kapakan baso, malu jo sopan kok nyo hilang, habih lah raso jo pareso.
Kalau sifat malu telah hilang dalam diri seseorang, hilang segala perasaan sopan santun.
294. Nan bungkuak dimakan saruang, nan bengkok dimakan tali.
Setiap sifat dan tindak tanduk yang tidak jujur dan benar, akan senantiasa ada ganjarannya (hukum karma)
295. Nan luruih katangkai sapu, nan bungkuak katangkai bajak, satampok kapapan tuai, nan ketek kapasak suntiang, panarahan kakayu api, abunyo kapupuak padi.
Didalam ajaran adat tidak ada bahan yang tidak berguna, tidak ada orang yang tidak dapat dimamfaatkan.
296. Nan buto pahambuih lasuang, nan pakak pamasang badia, nan lumpuah pahunyi rumah, nan patah pangajuik ayam, nan bingguang kadisuruah-suruah, nan cadiak bao baiyo, nan kayo bakeh batenggang.
Semua orang dapat dimamfaatkan, mulia hina, kaya dan miskin, sempurna, cacat, pandai dan bodoh. Sistim yang terdapat dalam adat Minangkabau.
297. Nan condoang makanan tungkek, nan lamah makanan tueh.
Dalam adat manusia lemah harus dibimbing dan dibantu, lebih-lebih kaum wanita, yang qudrat hayatinya lemah dari kaum lelaki.
298. Nan landai batitih, nan condong baraiah, nan lamah baindiak.
Dilarang didalam adat orang yang memperlakukan si lemah semau-maunya.
299. Nak mulia tapek-i janji, nak taguah paham dikunci.
Kalau ingin jadi orang yang dimuliakan selalu tepati janji, dan tidak suka membuka rahasia.
300. Nak tinggi naiak kan budi, nak haluih baso jo basi.
Kalau ditinggikan orang dalam masyarakat peliharalah budi, dan pakailah basa basi.
Langganan:
Komentar (Atom)







